Skip to content Skip to sidebar Skip to footer

Widget HTML #1

How To Draw A Pickleball Court, Diy Pickleball Court Instructions Pickleball Court Dimensions - I will base the tutorial off of a regulation pickleball court, but also show how we customized our dimensions to fit our court.

How To Draw A Pickleball Court, Diy Pickleball Court Instructions Pickleball Court Dimensions - I will base the tutorial off of a regulation pickleball court, but also show how we customized our dimensions to fit our court.. Equip your court with light. Lines may be taped or painted on the court for pickleball (always check with facility first). Pickleball is a net sport where individuals use paddles to hit a ball over a net until the ball falls either out of court or is missed. The pickleball court size should be 24 feet wide by 54 feet long, including the sidelines and end courts (all out of bound areas). You will want to ensure that each pole is 18 to 20 feet high and mounted in the center, at least 24 inches back from the court.

Played on a small court, the perforated polymer ball is served underhanded over a lowered net and is then hit after the first. A round robin is a structured form of play organized by skill levels. This is the same overall court size as in badminton. All you need to do is create a temporary pickleball court. The simplest place to outline a singular pickleball court is in the center of the tennis court, so you can base it off the tennis net.

How To Play Pickleball On A Tennis Court
How To Play Pickleball On A Tennis Court from pickleballdrive.com
Using tape is the best option when making a pickleball court indoors. That is exactly one fourth the size of a standard tennis court pad. Building your own pickleball court can be an easy diy project for years, pickleball players on a tight budget who wanted to build a pickleball court were forced to buy whatever exterior grade paint the counterperson at the local home improvement store recommended. See more ideas about pickleball court, pickleball, court. Lines may be taped or painted on the court for pickleball (always check with facility first). Do the same with line cd. The total court length from baseline to baseline is 44 feet. Played on a small court, the perforated polymer ball is served underhanded over a lowered net and is then hit after the first.

If you are painting a court for pickleball, it is easy to add blended lines for other sports too.

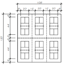
The gamma court lines are built to be solid and durable with each marker weighed down to ensure it stays in place during a game. That is exactly one fourth the size of a standard tennis court pad. On a standard tennis court, two pickleball courts can easily be added without greatly interfering with the line structure of the tennis court diagram #1. You will want to ensure that each pole is 18 to 20 feet high and mounted in the center, at least 24 inches back from the court. The simplest way is to just lower the tennis net to 34 in the center. Therefore, it is possible to put 4 pickleball courts in the space of a tennis court Cones are not that famous for use in the indoor lining. All you need to do is create a temporary pickleball court. Do the same with line cd. A tennis court pad is generally 60 feet by 120 feet and the minimum required space for a pickleball court is 30 feet by 60 feet so you can technically fit up to 4 pickleball courts on a single tennis court if you are playing on temporary nets (i.e. This is the same overall court size as in badminton. The following guidelines address several ways to create a court based on feedback from fellow players. Connect the lines as shown.

Combination sports courts | pickleball paint. In the time allocated to each round robin session (100 minutes) you will play six games, each with a different partner and against a different pair of opponents. The brand new pickleball line set from oncourt offcourt is the answer for quickly setting up a pickleball court on any flat surface! When generating a series of rounds, the code tries to keep the byes even, but is ultimately determined if the number of rounds will generate an even number of byes. (indoor tape) it is also a more permanent choice for a pickleball court as it allows you to play longer without having to retouch the lines.

Diy Pickleball Court Instructions Pickleball Court Dimensions
Diy Pickleball Court Instructions Pickleball Court Dimensions from usapickleball.org
You may need approximately 200 feet of tape for a full court. The winner will be the participant who wins the most games overall. The very first thing a contractor will need to do is have a meeting with you, to discuss the size of a pickleball court you'd like to have. Connect the lines as shown. The pickleball court size should be 24 feet wide by 54 feet long, including the sidelines and end courts (all out of bound areas). It's possible to have as many as four pickleball courts on a tennis court, however, the space will be packed with minimal room between courts diagram #2. That is exactly one fourth the size of a standard tennis court pad. This step will depend on the amount of space available, as well as your preferences.

The pickleball court size should be 24 feet wide by 54 feet long, including the sidelines and end courts (all out of bound areas).

Talk about being in a pickle! Gamma is one of the top players in the pickleball industry, providing various pickleball equipment including paddles, balls, nets, sling bags, and now, court lines. A set includes 8 straight pieces and 4 corner pieces. A round robin is a structured form of play organized by skill levels. When generating a series of rounds, the code tries to keep the byes even, but is ultimately determined if the number of rounds will generate an even number of byes. Another popular option are these court markers by gamma. I will base the tutorial off of a regulation pickleball court, but also show how we customized our dimensions to fit our court. Lighting for pickleball courts follows a fairly standard protocol. In the time allocated to each round robin session (100 minutes) you will play six games, each with a different partner and against a different pair of opponents. It is designed so that all players are playing against people of roughly equal ability. The following guidelines address several ways to create a court based on feedback from fellow players. Lines may be taped or painted on the court for pickleball (always check with facility first). This step will depend on the amount of space available, as well as your preferences.

A standard tennis court pad is 60'x120'. Setting up a temporary pickleball court may seem intimidating at first, but with the right tools and guidance, you'll have a court made in a flash. If you are painting a court for pickleball, it is easy to add blended lines for other sports too. If possible, a court that is 30 feet long by 60 feet wide is the best outcome. You may need approximately 200 feet of tape for a full court.

Tennis To Pickleball Court Conversion Guide Flooring Inc
Tennis To Pickleball Court Conversion Guide Flooring Inc from www.flooringinc.com
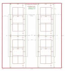
The pickleball lines are blue in the diagram on the right. You need to use blended colors to paint that. On a standard tennis court, two pickleball courts can easily be added without greatly interfering with the line structure of the tennis court diagram #1. You may need approximately 200 feet of tape for a full court. It comes in a durable st. Pickleball is a net sport where individuals use paddles to hit a ball over a net until the ball falls either out of court or is missed. A regulation pickleball court is 44 feet long from the outside of each white line, and 20 feet wide. You want to play pickleball but don't have easy access to a pickleball court.

A set includes 8 straight pieces and 4 corner pieces.

In some cases with a correct number of rounds for the players, the generator fails to generate an even number of byes. A set includes 8 straight pieces and 4 corner pieces. If you are painting a court for pickleball, it is easy to add blended lines for other sports too. All pickleball courts should include a two 1,500 watt light poles. The following guidelines address several ways to create a court based on feedback from fellow players. If you want to make the line permanent, try to use chalk. Click try again to try again. The brand new pickleball line set from oncourt offcourt is the answer for quickly setting up a pickleball court on any flat surface! The lines of the official pickleball court reach up to exactly 198 feet. The pickleball lines are blue in the diagram on the right. Do the same with line cd. (indoor tape) it is also a more permanent choice for a pickleball court as it allows you to play longer without having to retouch the lines. Talk about being in a pickle!

If you've ever found yourself in this situation, listen up! how to draw a pickle. The net is lowered from the standard badminton height to 36 on the ends and 34 in the middle.